+86-0523-83274900
Kadın John Morris dişli kuplaj

Kadın John Morris dişli kuplaj

Kadın John Morris dişli kuplaj, John Morris Coupling serisine aittir ve bir ucunda bir dahili veya harici iş parçacığı Ve diğer sonu kuplajın oluğu.
Bu bağlantı için kullanılır Yangın hortumlarını ve yangın söndürme ekipmanlarını bağlayın (yangın pompaları, yangın hortumları ve yangın hidrantları gibi).

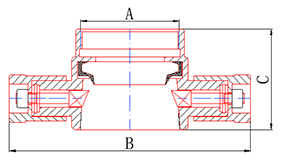
Boyutlar Kaynaklar

Öğe no.

Din/mm

Dia

A/mm

B/mm

C/mm

Kyk

65/50

2.5 "/2"

G2 "

182

76

65

2.5 "

G2.5 "

182

76

* Malzemeler ve üretim süreçleri istek üzerine özelleştirilebilir.
* Diğer gereksinimler (çalışma basıncı, patlama basıncı vb.) Gerektiğinde de özelleştirilebilir.

Jiangsu Jinding Yangın Koruma Teknolojisi A.Ş., Ltd.
Jiangsu Jinding Yangın Koruma Teknolojisi Co., Ltd., Jiang Su Xinghua Ekonomik Kalkınma Bölgesi'nde yer aldı. 1998 yılında kuruldu. Tasarım, geliştirme, üretim ve satışları entegre eden endüstriyel bir şirkettir. Şirket, ISO9001: 2015 Kalite Sistemi Sertifikası ve Ürün Gönüllü Sertifikasını geçti ve ilgili ürünler Ulusal Yangın Ekipmanı Kalite Denetimi ve Muayene Merkezi Muayene Raporunu aldı.
Şirketimiz, yangın söndürme kaplinleri, su nozulları, yangın muslukları, büyük çaplı boru kaplinleri ve petrol sahası su temin kaplinleri dahil olmak üzere çeşitli ürün serileri üretmektedir. Bu ürünler yangın koruma, petrol, kimya, askeri ve diğer sektörlerde yaygın olarak kullanılmaktadır.
Şirket iyi bağımsız Ar -Ge yeteneğine sahiptir ve küf üretimi, üretim işleme ve ürün testi gibi eksiksiz bir üretim süreçlerine sahiptir. Aynı zamanda, işletme müşterilerin gereksinimlerine önem verir, piyasa dinamiklerini zamanında kavrar, sürekli olarak yeni ürünler geliştirir ve üretir ve yeni ve eski müşterilerin güvenini ve övgüsünü kazanır.
Şirket güvenilir hizmet sunuyor Kadın John Morris dişli kuplaj ve kalite taahhüdü ve işbirlikçi ortaklıklara dayalı profesyonel hizmetler sunmak, müşterilerle sürdürülebilir iş birliği ilişkileri kurmayı hedeflemek.
27+

27 yıllık endüstri Üretim Deneyimi

Sertifikalar
Haberler
Bir konuşma yapalım
Sadece merhaba deyin ve verimli bir işbirliğine başlayacağız. Kendi başarı hikayenizi başlatın.
İşletmeniz için ekipmana mı ihtiyacınız var?
Ekibimizin size özel çözümler sunmasına izin verin.