+86-0523-83274900
Storz kilitleme dişli kuplaj

Storz kilitleme dişli kuplaj

Storz kilitleme dişli kuplaj, Storz Kuplaj Serisine aittir ve bir ucunda bir dahili veya harici iş parçacığı Ve diğer sonu Storz Kilitleme Kuplajı.
Bu bağlantı için kullanılır Yangın hortumlarını ve yangın söndürme ekipmanlarını bağlayın (yangın pompaları, yangın hortumları ve yangın hidrantları gibi).
Bu dizi öncelikle büyük boyutlarda mevcuttur, daha küçük boyutlar istek üzerine özelleştirilebilir. .

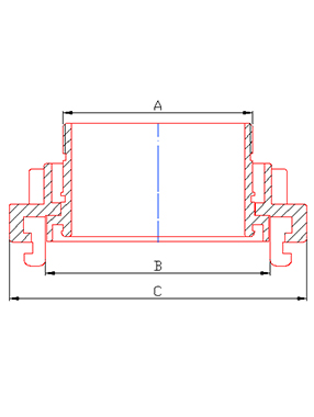
Boyutlar Kaynaklar

Öğe no.

Din/mm

Dia

A/mm

B/mm

C/mm

/

100

4 "

M100*3

115

156

125

5 "

M125*3

148

196

150

6 "

M145*3

160

215

200

8 "

M200*4

220

280

250

10 "

M255*4

278

339

300 (3teeth)

12 "

M290*4

316

384

350

14 "

M350*4

336

448

* Malzemeler ve üretim süreçleri istek üzerine özelleştirilebilir.
* Diğer gereksinimler (çalışma basıncı, patlama basıncı vb.) Gerektiğinde de özelleştirilebilir.

Jiangsu Jinding Yangın Koruma Teknolojisi A.Ş., Ltd.
Jiangsu Jinding Yangın Koruma Teknolojisi Co., Ltd., Jiang Su Xinghua Ekonomik Kalkınma Bölgesi'nde yer aldı. 1998 yılında kuruldu. Tasarım, geliştirme, üretim ve satışları entegre eden endüstriyel bir şirkettir. Şirket, ISO9001: 2015 Kalite Sistemi Sertifikası ve Ürün Gönüllü Sertifikasını geçti ve ilgili ürünler Ulusal Yangın Ekipmanı Kalite Denetimi ve Muayene Merkezi Muayene Raporunu aldı.
Şirketimiz, yangın söndürme kaplinleri, su nozulları, yangın muslukları, büyük çaplı boru kaplinleri ve petrol sahası su temin kaplinleri dahil olmak üzere çeşitli ürün serileri üretmektedir. Bu ürünler yangın koruma, petrol, kimya, askeri ve diğer sektörlerde yaygın olarak kullanılmaktadır.
Şirket iyi bağımsız Ar -Ge yeteneğine sahiptir ve küf üretimi, üretim işleme ve ürün testi gibi eksiksiz bir üretim süreçlerine sahiptir. Aynı zamanda, işletme müşterilerin gereksinimlerine önem verir, piyasa dinamiklerini zamanında kavrar, sürekli olarak yeni ürünler geliştirir ve üretir ve yeni ve eski müşterilerin güvenini ve övgüsünü kazanır.
Şirket güvenilir hizmet sunuyor Storz kilitleme dişli kuplaj ve kalite taahhüdü ve işbirlikçi ortaklıklara dayalı profesyonel hizmetler sunmak, müşterilerle sürdürülebilir iş birliği ilişkileri kurmayı hedeflemek.
27+

27 yıllık endüstri Üretim Deneyimi

Sertifikalar
Haberler
Bir konuşma yapalım
Sadece merhaba deyin ve verimli bir işbirliğine başlayacağız. Kendi başarı hikayenizi başlatın.
İşletmeniz için ekipmana mı ihtiyacınız var?
Ekibimizin size özel çözümler sunmasına izin verin.