+86-0523-83274900
Storz Adaptör Kaplakları - Flanşlı
Ev / Ürün / Adaptörler / Storz Adaptör Kaplakları - Flanşlı

Storz Adaptör Kaplakları - Flanşlı

Adaptör kaplinleri, farklı standartlar ve bağlantı parçaları arasında bağlamak veya dönüştürmek için kullanılır. Aksi takdirde uyumsuz arayüzlerin birbirine sorunsuz bir şekilde bağlanmasına izin verirler.

Adaptör bağlantıları aşağıdakileri içerir, ancak bunlarla sınırlı değildir: Almanca'dan Storz'a (erkek/kadın), ormancılığa, Almanca'dan Alman'a kendi kendine kilitlenmeye, Alman'dan flanşı, Almanca'dan çok dişi, Storz'a erkek ila Storz Kadına, ormancılığa, vb.
Her tür adaptör kaplin, istek üzerine özelleştirilebilir.

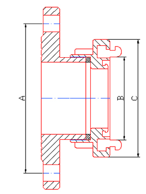
Boyutlar Kaynaklar

Öğe no.

Din/mm

Dia

A/mm

B/mm

C/mm

/

80

3 "

160

89

126

Small100

4 "

180

115

156

Küçük 100 (Amerikan Standardı)

4 "

190.5

115

156

Big 100

4 "

180

133

182

Big 100 (Amerikan Standardı)

4 "

190.5

133

182

150

6 "

240

160

215

150 (Amerikan Standardı)

6 "

241.3

160

215

200

8 "

295

220

280

200 (Amerikan Standardı)

8 "

298.5

220

280

250

10 "

355

278

339

250 (Amerikan Standardı)

10 "

362

278

339

300

12 "

410

316

384

300 (Amerikan Standardı)

12 "

431.8

316

384

350

14 "

470

366

448

350 (Amerikan Standardı)

14 "

476.3

366

448

* Malzemeler ve üretim süreçleri istek üzerine özelleştirilebilir.
* Diğer gereksinimler (çalışma basıncı, patlama basıncı vb.) Gerektiğinde de özelleştirilebilir.

Jiangsu Jinding Yangın Koruma Teknolojisi A.Ş., Ltd.
Jiangsu Jinding Yangın Koruma Teknolojisi Co., Ltd., Jiang Su Xinghua Ekonomik Kalkınma Bölgesi'nde yer aldı. 1998 yılında kuruldu. Tasarım, geliştirme, üretim ve satışları entegre eden endüstriyel bir şirkettir. Şirket, ISO9001: 2015 Kalite Sistemi Sertifikası ve Ürün Gönüllü Sertifikasını geçti ve ilgili ürünler Ulusal Yangın Ekipmanı Kalite Denetimi ve Muayene Merkezi Muayene Raporunu aldı.
Şirketimiz, yangın söndürme kaplinleri, su nozulları, yangın muslukları, büyük çaplı boru kaplinleri ve petrol sahası su temin kaplinleri dahil olmak üzere çeşitli ürün serileri üretmektedir. Bu ürünler yangın koruma, petrol, kimya, askeri ve diğer sektörlerde yaygın olarak kullanılmaktadır.
Şirket iyi bağımsız Ar -Ge yeteneğine sahiptir ve küf üretimi, üretim işleme ve ürün testi gibi eksiksiz bir üretim süreçlerine sahiptir. Aynı zamanda, işletme müşterilerin gereksinimlerine önem verir, piyasa dinamiklerini zamanında kavrar, sürekli olarak yeni ürünler geliştirir ve üretir ve yeni ve eski müşterilerin güvenini ve övgüsünü kazanır.
Şirket güvenilir hizmet sunuyor Storz Adaptör Kaplakları - Flanşlı ve kalite taahhüdü ve işbirlikçi ortaklıklara dayalı profesyonel hizmetler sunmak, müşterilerle sürdürülebilir iş birliği ilişkileri kurmayı hedeflemek.
27+

27 yıllık endüstri Üretim Deneyimi

Sertifikalar
Haberler
Bir konuşma yapalım
Sadece merhaba deyin ve verimli bir işbirliğine başlayacağız. Kendi başarı hikayenizi başlatın.
İşletmeniz için ekipmana mı ihtiyacınız var?
Ekibimizin size özel çözümler sunmasına izin verin.