+86-0523-83274900
Storz Adaptör Kaplinleri - Erkek Machino
Ev / Ürün / Adaptörler / Storz Adaptör Kaplinleri - Erkek Machino

Storz Adaptör Kaplinleri - Erkek Machino

Adaptör kaplinleri, farklı standartlar ve bağlantı parçaları arasında bağlamak veya dönüştürmek için kullanılır. Aksi takdirde uyumsuz arayüzlerin birbirine sorunsuz bir şekilde bağlanmasına izin verirler.

Adaptör bağlantıları aşağıdakileri içerir, ancak bunlarla sınırlı değildir: Almanca'dan Storz'a (erkek/kadın), ormancılığa, Almanca'dan Alman'a kendi kendine kilitlenmeye, Alman'dan flanşı, Almanca'dan çok dişi, Storz'a erkek ila Storz Kadına, ormancılığa, vb.
Her tür adaptör kaplin, istek üzerine özelleştirilebilir.

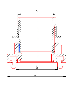
Boyutlar Kaynaklar

Öğe no.

Din/mm

Dia

A/mm

B/mm

C/mm

/

25/40

1 "/1.5"

29

53

82

25/50

1 "/2"

29

66

98

25/65

1 "/2.5"

29

76

110

25/80

1 "/3"

29

89

126

40/40

1.5 "/1.5"

43.6

53

82

40/50

1.5 "/2"

43.6

66

98

40/65

1.5 "/2.5"

43.6

76

110

40/80

1.5 "/3"

43.6

89

126

50/50

2 "/2"

55.6

66

98

50/65

2 "/2.5"

55.6

76

110

50/80

2 "/3"

55.6

89

126

65/65

2.5 "/2.5"

68.5

76

110

65/80

2.5 "/3"

68.5

89

126

80/80

3 "/3"

81.5

89

126

* Malzemeler ve üretim süreçleri istek üzerine özelleştirilebilir.
* Diğer gereksinimler (çalışma basıncı, patlama basıncı vb.) Gerektiğinde de özelleştirilebilir.

Jiangsu Jinding Yangın Koruma Teknolojisi A.Ş., Ltd.
Jiangsu Jinding Yangın Koruma Teknolojisi Co., Ltd., Jiang Su Xinghua Ekonomik Kalkınma Bölgesi'nde yer aldı. 1998 yılında kuruldu. Tasarım, geliştirme, üretim ve satışları entegre eden endüstriyel bir şirkettir. Şirket, ISO9001: 2015 Kalite Sistemi Sertifikası ve Ürün Gönüllü Sertifikasını geçti ve ilgili ürünler Ulusal Yangın Ekipmanı Kalite Denetimi ve Muayene Merkezi Muayene Raporunu aldı.
Şirketimiz, yangın söndürme kaplinleri, su nozulları, yangın muslukları, büyük çaplı boru kaplinleri ve petrol sahası su temin kaplinleri dahil olmak üzere çeşitli ürün serileri üretmektedir. Bu ürünler yangın koruma, petrol, kimya, askeri ve diğer sektörlerde yaygın olarak kullanılmaktadır.
Şirket iyi bağımsız Ar -Ge yeteneğine sahiptir ve küf üretimi, üretim işleme ve ürün testi gibi eksiksiz bir üretim süreçlerine sahiptir. Aynı zamanda, işletme müşterilerin gereksinimlerine önem verir, piyasa dinamiklerini zamanında kavrar, sürekli olarak yeni ürünler geliştirir ve üretir ve yeni ve eski müşterilerin güvenini ve övgüsünü kazanır.
Şirket güvenilir hizmet sunuyor Storz Adaptör Kaplinleri - Erkek Machino ve kalite taahhüdü ve işbirlikçi ortaklıklara dayalı profesyonel hizmetler sunmak, müşterilerle sürdürülebilir iş birliği ilişkileri kurmayı hedeflemek.
27+

27 yıllık endüstri Üretim Deneyimi

Sertifikalar
Haberler
Bir konuşma yapalım
Sadece merhaba deyin ve verimli bir işbirliğine başlayacağız. Kendi başarı hikayenizi başlatın.
İşletmeniz için ekipmana mı ihtiyacınız var?
Ekibimizin size özel çözümler sunmasına izin verin.